- Tylko online
Masz pytania? Chciałbyś negocjować cenę
Zadzwoń! 577 575 011
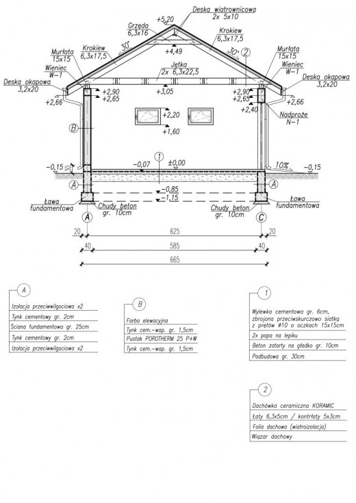
GP7 - projekt budynku gospodarczego dostawianego. Wymiar bramy garażowej - 2400x2400. Projekt składa się z części architektonicznej, konstrukcyjnej i wewnętrznej instalacji elektrycznej. W projekcie załączone są podstawowe zestawienie stali, drewna i stolarki okienno-drzwiowej. Do projektu dołączamy bezpłatną zgodę na wprowadzenie zmian, oświadczenie projektantów o wykonaniu projektu zgodnie z obowiązującymi normami i przepisami oraz kserokopie uprawnień projektantów wraz z aktualnym wpisem do izby. W przypadku zamówienia projektu w technologii lekkiej, drewnianej konstrukcji szkieletowej, powierzchnia użytkowa budynku jest o około 7% większa.
