- Tylko online
Masz pytania? Chciałbyś negocjować cenę
Zadzwoń! 577 575 011
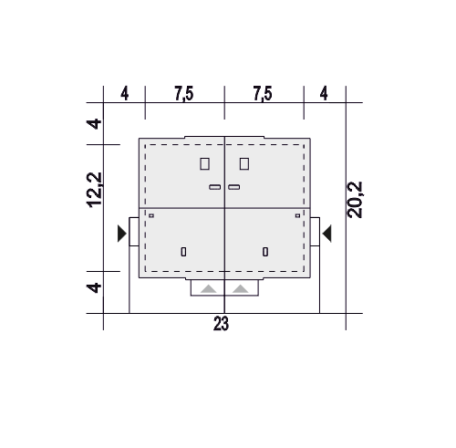
Niezwykle funkcjonalny użytkowo dom z garażem dla 4-5 osobowej rodziny. Oszczędne OGRZEWANIE PALIWEM STAŁYM z pomieszczeniem kotłowni wydzielonej z garażu. Projekt domu super ekonomiczny w budowie!
