- Tylko online
Masz pytania? Chciałbyś negocjować cenę
Zadzwoń! 577 575 011
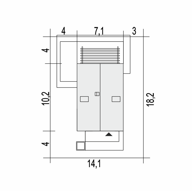
Iggi to projekt przeznaczony dla 3-4 osobowej rodziny.fundamenty: BETONOWE ściany zewnętrzne: POROTHERM+STYROPIAN TERMO ORGANIKA ściany wewnętrzne: POROTHERM rodzaj stropu: TERIVA elewacje: TYNK STRUKTURALNY, DREWNO pokrycie dachu: BLACHA
