Informujemy, iż nasz sklep internetowy wykorzystuje technologię plików cookies a jednocześnie nie zbiera w sposób automatyczny żadnych informacji, z wyjątkiem informacji zawartych w tych plikach (tzw. „ciasteczkach”).

GP7 garaż dostawiany

  • Tylko online

Dane techniczne

powierzchnia
35.12 m²
wysokość
5.35 m
kąt dachu
30 °
szerokość działki
13.5 m
Liczba pokoi
3
Powierzchnia zabudowy
39.19
kondygnacje
parterowe
garaż
bez garażu
dach
dach czterospadowy
konstrukcja
murowane
zabudowa
domy wolnostojące
piwnica
bez piwnicy
kubatura
186.25 m³
dostępne odbicie lustrzane
Nie
Pow. użytkowa
35.12 m²
długość działki
10.5 m

Opis projektu

Garaż jednostanowiskowy dostawiany z pomieszczeniem gospodarczym i składem na drewno. Wymiar bramy garażowej - 2400x2400. Projekt składa się z części architektonicznej, konstrukcyjnej i wewnętrznej instalacji elektrycznej. W projekcie załączone są podstawowe zestawienie stali, drewna i stolarki okienno-drzwiowej. Do projektu dołączamy bezpłatną zgodę na wprowadzenie zmian, oświadczenie projektantów o wykonaniu projektu zgodnie z obowiązującymi normami i przepisami oraz kserokopie uprawnień projektantów wraz z aktualnym wpisem do izby. W przypadku zamówienia projektu w technologii lekkiej, drewnianej konstrukcji szkieletowej, powierzchnia użytkowa budynku jest o około 7% większa.

Rzuty

Przyziemie
2. pom. gosp.
12.86
1. garaż
18.92
3. skład drewna
3.06

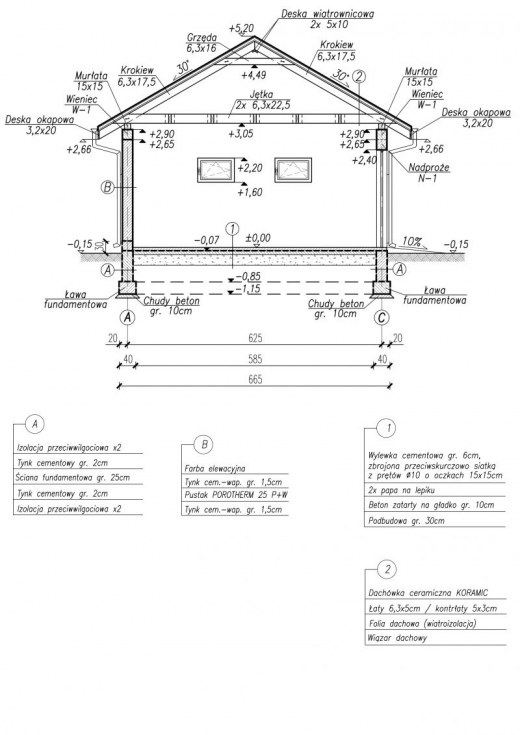
Przekrój

O autorze projektu GP7 garaż dostawiany

890 zł

Tylko u nas możesz negocjować cenę!
Skorzystaj z tej możliwości.

Lustrzane odbicie: niedostępne.

Masz dodatkowe pytania?
Zadzwoń lub zamów rozmowę.

Zamów rozmowę

Pomożemy Ci dopasować do twoich potrzeb mymarzony projekt, wpisz swój numer telefonu nasz konsultant oddzwoni.

Negocjuj cenę projektu GP7 garaż dostawiany

Zapytaj pytanie o projekt GP7 garaż dostawiany

Oceny i komentarze

Napisz swoją opinię