- Tylko online
Masz pytania? Chciałbyś negocjować cenę
Zadzwoń! 577 575 011
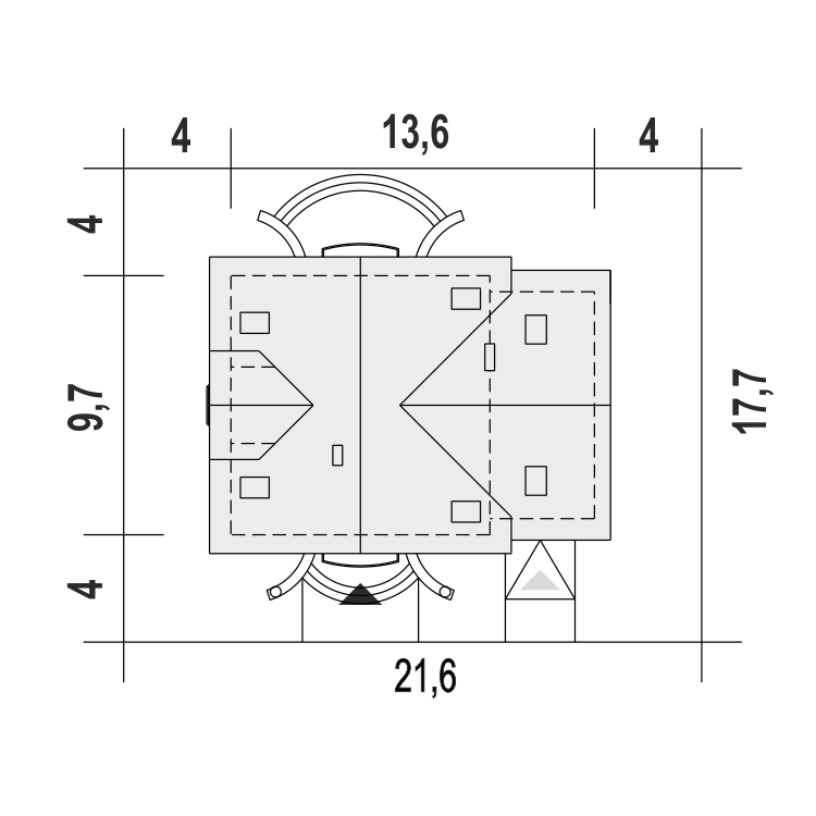
Dom podpiwniczony. Duży salon z aneksem kuchennym, kominkiem , wyjściem na taras i schodami na poddasze i do piwnicy. Łazienka, korytarz, wiatrołap i garderoba. Na poddaszu cztery pokoje, łazienka, komunikacja i dwa balkony. W piwnicach kotłownia, skład opału, piwnice i komunikacja. Zwarta bryła budynku i dach dwuspadowy sprzyjają taniej i szybkiej budowie i niskim kosztom eksploatacji. Trzy pokoje poddasza mają balkon. Dom łatwy i tani w budowie. Liczne warianty projektu.
Piwnica to spore zaskoczenie, ale to dodatkowy argument za tym projektem. Widuję na stronie Archido domy z piwniami ale to jednak mniejszosć. Jak na taką powierzchnię zabudowy – 100 metrów – to naprawdę super wszystko rozplanowanoi wydaje się, że dom jest bardzo przestronny. Mam nadzieję, że się nie zawiodę.
Ojej… taki salon aż zapiera dech. prawie 60m kw? Zmieści się wszystko albo jeszcze więcej ;) Ale myślę, że trzeba się przyłożyć do urządzania, żeby jakoś ta przestrzeń „zapełnić”. Sypialnie też są spore, ale to mnie akurat nie martwi, bo marzę do sporym łóżku

cena
Podano cenę za stan surowy zamknięty ale czasem Archido szacuje tez koszty „pod klucz”. Można prosić o takie informacje o domu Oleśnica 19?