- Tylko online
Masz pytania? Chciałbyś negocjować cenę
Zadzwoń! 577 575 011
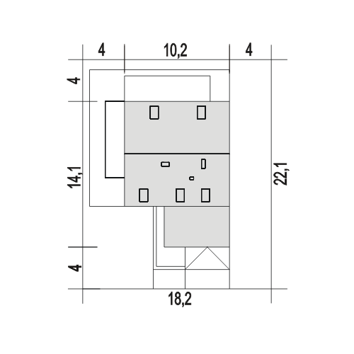
Do Rodziny Sonii należą projekty małych domów parterowych z użytkowym poddaszem i z garażem, na rzucie zwartego prostokąta. Całą rodzinę wyróżniają dwa detale architektoniczne: wejściowy ganek z daszkiem na słupkach lub kolumnach i ryzalit na planie ośmiokąta z jadalnią, zwieńczony balkonem w jednej ze ścian bocznych. Szczególną cechą projektu domu Sonia Midi Lux, (a także innych, również podpiwniczonych koncepcji) jest rzadko spotykany układ funkcjonalny parteru. Oprócz całkowicie otwartej kuchni i salonu z kominkiem, przewiduje on aż dwa dodatkowe, niewielkie pokoje z łazienką. Oddzielono je od strefy dziennej traktem wejścia frontowego i komunikacji. Bardziej prywatną strefę nocną zaprojektowano podobnie we wszystkich pozostałych wersjach rodziny: z dużą łazienką i z garderobą na drugiej kondygnacji pod dwuspadowym dachem. Sypialnie doświetlono ekonomicznie i energooszczędnie – bez użycia lukarn. Projekt domu Sonia Midi Lux ma garaż, dużą kotłownię i pomieszczenia gospodarcze w zajmującej pełen plan budynku piwnicy. Nie wymaga tak szerokiej działki, jak warianty bez podpiwniczenia, z dostawionym garażem: Sonia Lux i Sonia Lux G2.
