- Tylko online
Masz pytania? Chciałbyś negocjować cenę
Zadzwoń! 577 575 011
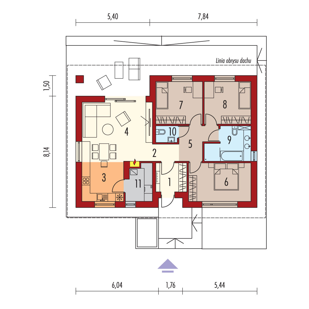
Charakterystyka: Dom parterowy, niepodpiwniczonyPrzeznaczenie: Dom dla 3-4-osobowej rodziny Technologia i konstrukcja:Ściany zewnętrzne: murowane, dwuwarstwowe, beton komórkowy firmy Solbet 24 cm, ocieplenie styropian Termo Organika 20 cmŚciany wewnętrzne: nośne i działowe murowane, beton komórkowy firmy Solbet 24 cm i 12 cmStrop: strop gęstożebrowy Teriva, ocieplenie wełna mineralna firmy Isover 30 cmDach: konstrukcja drewniana, dachówka ceramiczna płaska Bergamo firmy RöbenRozwiązania instalacyjne:Ogrzewanie: kocioł gazowy kondensacyjny firmy Viessmann, rozprowadzenie ciepła: grzejniki firmy PurmoWentylacja: grawitacyjnaOZE: kolektory słoneczne firmy ViessmannDodatkowo: stacja uzdatniania wody firmy Viessmann Wykończenie:Elewacje: tynk cienkowarstwowy mineralny w kolorze białym TO-PA 001 z palety firmy Termo Organika, okładzina drewniana,Stolarka: drewniana, PVC lub aluminiowa, drzwi tarasowe podnoszono-przesuwne typu HS aluminiowo-drewniane Innoview firmy Fakro, drzwi wejściowe i wewnętrzne firmy HörmannOtoczenie: kostka betonowa i płyty tarasowe firmy Libet, system tarasowy ProDeck - deska kompozytowa Terra w kolorze orzech Wszystkie wersje domów możliwe w dwóch standardach/wariantach instalacyjnych: - ENERGO: kocioł gazowy kondensacyjny, grzejniki, wentylacja grawitacyjna, OZE: kolektory słoneczne - ENERGO PLUS: pompa ciepła, ogrzewanie podłogowe, wentylacja mechaniczna, OZE: kolektory słoneczne lub panele fotowoltaiczne Istnieją techniczne możliwości wykonania zmian: - podpiwniczenia budynku - zmiany kąta nachylenia dachu- wykonania budynku w technologii szkieletowej- zbliźniaczenia lub wykonania domu dwulokalowego- dokonania zmian funkcjonalnych wg indywidualnych wymagań
