- Tylko online
Masz pytania? Chciałbyś negocjować cenę
Zadzwoń! 577 575 011
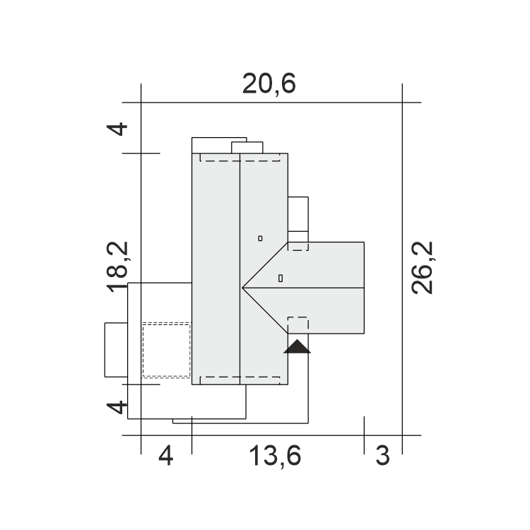
Budynek jednorodzinny, parterowy, z poddaszem mieszkalnym, niepodpiwniczonyŚciany zewnętrzne: gr. 36,5 cm z bloczków YTONG; strop: żelbetowy; schody: drewniane; dach: dwuspadowy o nachyleniu 42 stopni, więźba drewniana, krycie dachówką
