- Tylko online
Masz pytania? Chciałbyś negocjować cenę
Zadzwoń! 577 575 011
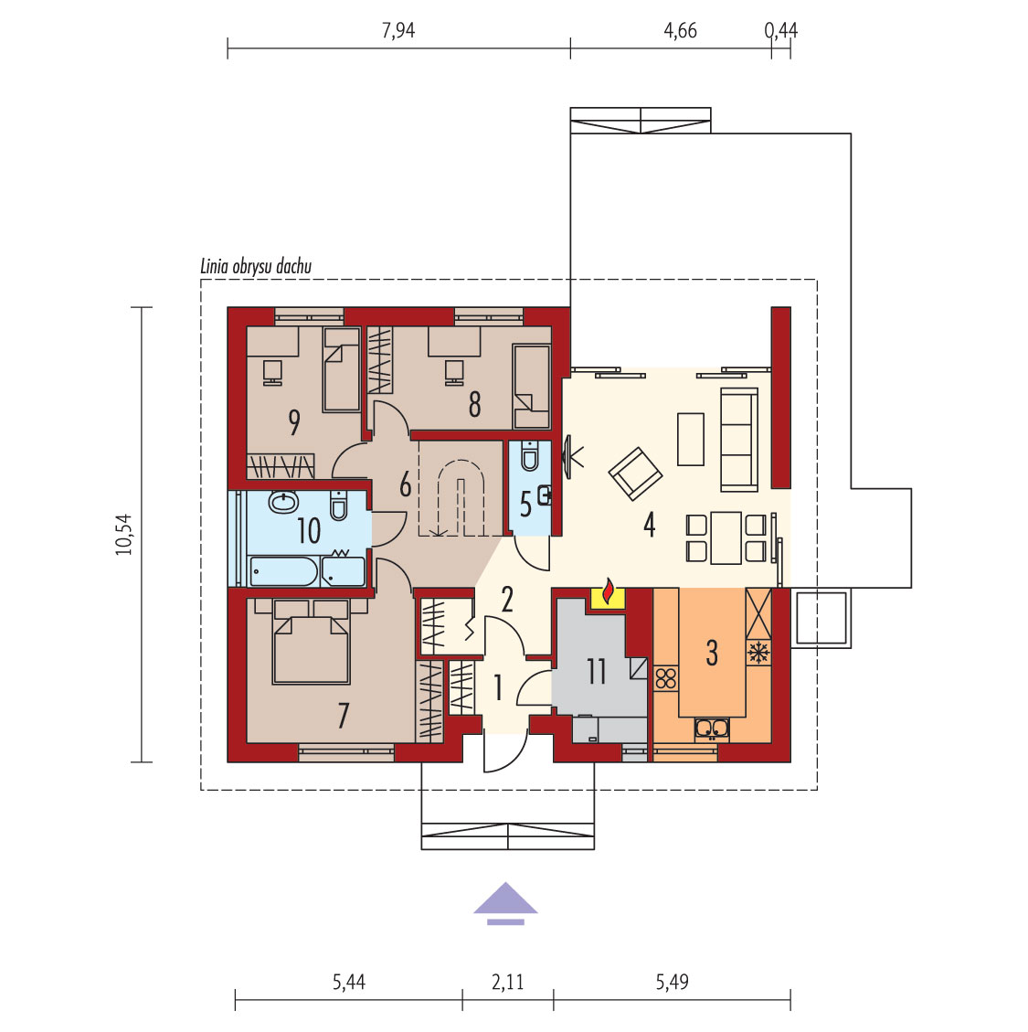
Charakterystyka: dom parterowy z poddaszem do późniejszej adaptacji na cele mieszkalne, niepodpiwniczonyPrzeznaczenie: dom dla 3-4-osobowej rodziny Technologia i konstrukcja:Fundamenty: ławy, bloczki betonowe 24 cm, ocieplenie styropian 15 cmŚciany zewnętrzne: murowane, murowane, beton komórkowy firmy H+H, ocieplenie Termo Organika 20 cmŚciany wewnętrzne: murowane, bloczki betonu komórkowego firmy H+H, ściany nośne 24 cm, ścianki działowe 12 cm,Podłoga na gruncie: płyta betonowa, ocieplenie styropian 15 cmStrop: strop gęstożebrowy Teriva, ocieplenie wełna mineralna Isover 30 cmDach: konstrukcja drewniana, blacha na rąbek stojący Classic firmy Ruukki, w przypadku wykorzystania poddasza jako mieszkalne - ocieplenie dachu: wełna mineralna 30 cm, więźba dachowa dostępna również w systemie prefabrykacji drewnianej Rozwiązania instalacje:Ogrzewanie: kocioł gazowy kondensacyjny, rozprowadzenie ciepła: grzejniki Wentylacja: grawitacyjnaOZE: kolektory słoneczneWykończenie:Elewacje: tynk cienkowarstwowy mineralny, okładzina z płyty HPL z naturalną okleiną drewnianą firmy ProdemaStolarka: drewniana, PVC lub aluminiowa, drzwi wejściowe firmy HörmannOkna połaciowe: rozwiązania technologiczne firmy VELUX wyłaz dachowy VELUXInne: w przypadku wykorzystania poddasza jako mieszkalne - schody wewnętrzne drewnianeOtoczenie: system tarasowy ProDeck - deska kompozytowa Terra w kolorze platyna i wiśniaDostępne wersje:- Swen II – inna aranżacja parteru, dach o kącie nachylenia 30°, odmienne wykończenie elewacji; więźba prefabrykowana- Odbicie lustrzaneIstnieje możliwość:- podpiwniczenia budynku- wykonania budynku w technologii szkieletowejAtuty projektu okiem architekta:- Funkcjonalne i ergonomiczne wnętrze z podziałem na strefę dzienną i nocną- Wydzielona garderoba w strefie wejściowej- Duża, wygodna kuchnia oferująca wiele możliwości aranżacji- Duże przeszklenia od strony ogrodu oraz w jadalni z widokiem na ogród- Możliwość wykorzystania poddasza na część mieszkalną- Możliwość wykonania adaptacji poddasza w drugim etapie- Zblokowane piony instalacyjne - oszczędność na etapie budowy i eksploatacji instalacji- Podcień jako ochrona dużego przeszklenia i salonu przed przegrzewaniem- Zadaszenie nad wejściem do budynku jako osłona przed niesprzyjającymi warunkami atmosferycznymi- Atrakcyjna lukarna doświetlająca przestrzeń poddasza do adaptacji- Bryła o bardzo dobrych parametrach cieplnych dzięki odpowiedniej izolacji przegród zewnętrznych
